YT series sealed socket - connectors of this series offer solutions for transmitting signals in difficult conditions of the Internet, - for transmitting high-quality audio and video signals. These connectors work great with DMX protocols for lighting control. Stage equipment can also be controlled using these connectors.
The counter part to the panel socket YT-RJ45-JSX-02-001 will be a cable plug YT-RJ45-CPE-13-011 or cable plug YT-RJ45-CPE-05-001
According to EIA568B and various ISO/IEC11801 certifications, level D or CAT 3e, CAT5e compatible. Data transfer speed reaches 10 Gbit/sec.
Characteristics of YT Series Sealed RJ45 Connector | |
| Type connector | Panel socket |
| Cable diameter | Φ 5.5 - 7.0 mm |
| Cable characteristics | 0.15-0.2 mm2 / 26-24 AWG |
| Number of connections | > 1700 |
| Operating temperature range | -40°С ... +80°С |
| Protection class | IP65 / IP67 |
| Flammability class | UL94-V0 |
| Certificates | CE, CCC, RoHS, ISO9001 |
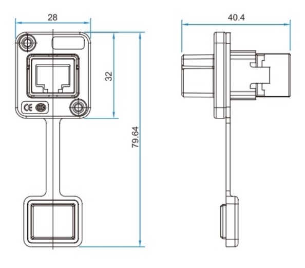
| Dimensions of the sealed connector RJ45 | |
| Block socket | |
![]() | |
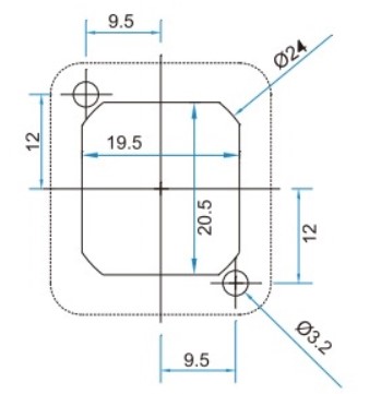
| Installation dimensions of block socket | |
![]() |
Related Products









